新闻资讯
news
东莞市环仪仪器科技有限公司
电话:0769 83482055
传真:0769 83482056
移动电话:15322932685/宋小姐
地址:广东省东莞市东坑镇龙坑兴业路3号
常见问题
感烟探测器试验烟箱的研制
烟雾探测器主要应用于消防系统,在航空领域的安全系统中也有应用。根据我国的gb 20517、gb 4715标准要求,感烟探测器(报警器)在出厂前需要通过试验烟箱的测试,对于感烟探测器试验烟箱的研制、相关技术要求,下面为大家做简单介绍。
产品名称:环仪仪器 感烟探测器试验烟箱
产品作用:感烟探测器试验烟箱是根据中国国家标准,结合火灾探测器实际工作时的环境特点,具有开环与闭环两种方式工作的综合火灾探测模拟实验平台。

结构解析:
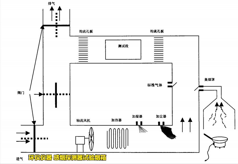
结构如下图所示。

整个实验管道外形上近似一个环形的通道加一个进气与出气接口。截面大小为0.4m x 0.4m,符合标准要求。试验烟箱包括两大组成部分:实验管道与操作台。其中实验管道分为两段:前端的模拟段与后端的测试段 。
模拟段中安装用于模拟火灾环境的设备,包括:轴流风机、加热器、加尘器、气溶胶发生器、加湿器、可燃气接人器以及集烟装置。
测试段(如下图)中安装了各种测量仪器,包括温度计、湿度计、速度计、气体成分分析仪、以及光学密度计和离子烟浓度计,以测量被检探测器周围的环境参数。

试验方式:被检探测器置于测试段中部。控制台上可显示测试段中各火灾参数和设备的运行状态,并可调节模拟段中各参数的大小。
技术参数:

产品特点:
可提供0℃~100℃之间连续稳定的温度值,模拟段装置中安装了气溶胶发生器和可燃气接口,以模拟真实火灾过程中可能产生的多种典型气体成分。
如有感烟探测器试验烟箱的选型疑问,可以咨询环仪仪器相关技术人员。
上一篇: 烟感烟雾报警器测试烟箱 下一篇: 火灾烟感报警器检验烟箱的抗干扰试验
感烟探测器试验烟箱的研制-和记娱乐手机版

环仪仪器厂家提供完整的和记娱乐手机版的售后服务,每一台环仪设备都有机身编号,只需提供机身号就可获得高效的覆盖全国30多个省市的和记娱乐手机版的售后服务,环仪承诺环境测试舱2年质保,终身维修,服务网点及周边地区确保2小时快速响应。


