新闻资讯
news
东莞市环仪仪器科技有限公司
电话:0769 83482055
传真:0769 83482056
移动电话:15322932685/宋小姐
地址:广东省东莞市东坑镇龙坑兴业路3号
常见问题
转向软管高温脉冲试验装置的试验要求
液压系统的管路结构非常复杂,各种控制油液的阀门数量繁多,整套油路经常处在高温高压状态下,使用寿命也会受到影响,这些因素都会造成转向助力软管的老化、损坏。根据《sae j188》、《gb/t 7939.3》等标准的要求,转向管需要在温度压力脉冲条件下完成试验,来判断可靠性。试验需要使用转向软管高温脉冲试验装置,下面,我们来看看相关试验要求。
试验设备:环仪仪器 转向软管高温脉冲试验装置

试验依据:
gb/t 7939.3-2023 液压传动连接 试验方法 第3部分:软管总成
试验步骤:
1.应使用30d之内组装软管接头的软管总成进行此项试验。
2.计算在试验下的软管的自由(暴露)长度(如下图所示)。

a)软管公称内径不大于22mm:l1=π(r d/2) 2d。
b)软管公称内径大于22mm:l2=0.5π(r d/2) 2d。
式中:
l1--180°弯曲的自由长度;
l2--90°弯曲的自由长度;
r--最小弯曲半径(在相关软管标准中确定);
d--软管外径(测量值,d<25mm除外)。
若d<25mm,则软管自由长度的公式中的2d项采用d=25mm,使软管接头末端与弯曲半径起始点的软管处于直线状态。
实际的软管自由长度与计算的软管自由长度的偏差应在0%~1%或0mm~8mm内,取较大的偏差值。
3.把软管总成连接到试验装置上。当软管总成公称内径不大于22mm时,应弯曲180°;大于22mm时,应弯曲90°。
4.试验油液应符合iso 3448中黏度等级iso vg 46(在40c时,46mm2/s±4.6mm2/s)的要求,使其在软管总成内以足够的速度循环,以保证温度的一致性。
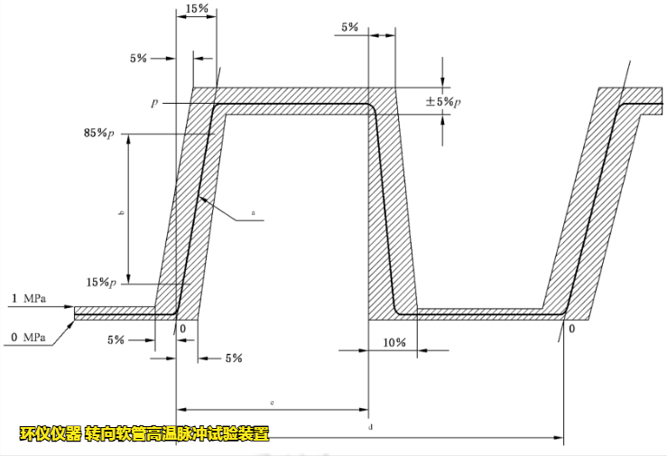
5.对软管总成内部施加脉冲压力,对于高压试验,其频率在0.5hz~1.3hz;对于低压试验,其频率在0.2 hz~1.0hz。记录试验的频率。
6.对于高压试验(大于2.5mpa),压力循环应在下图所示的阴影区域内;

对于低压试验(不大于2.5mpa),压力循环应在下图所示的阴影区域内,并使之尽可能接近图示曲线。

7.根据相关产品规范,确定脉冲压力和试验温度。
8.根据相关产品规范,确定脉冲试验的持续时间(以脉冲循环总次数计)。
9.进行规定循环次数的试验,或直至软管总成失效。如果在完成最小循环次数之前停止试验,在
重新开始试验并达到规定的试验温度之前,软管和软管接头结合处可能出现泄漏。若泄漏量小于iso/tr11340中规定的4级泄漏,则不判定为软管总成失效。应根据iso/tr11340中的分类来记录泄漏情况。
10.在未完成所需的总脉冲次数之前,软管总成应不出现失效。
如有转向软管高温脉冲试验装置的使用疑问,可以咨询环仪仪器相关技术人员。
上一篇: 动力转向管高温脉冲试验台 下一篇: 耐压管高温脉冲试验机的试验设计
转向软管高温脉冲试验装置的试验要求-和记娱乐手机版

环仪仪器厂家提供完整的和记娱乐手机版的售后服务,每一台环仪设备都有机身编号,只需提供机身号就可获得高效的覆盖全国30多个省市的和记娱乐手机版的售后服务,环仪承诺环境测试舱2年质保,终身维修,服务网点及周边地区确保2小时快速响应。


