新闻资讯
news
东莞市环仪仪器科技有限公司
电话:0769 83482055
传真:0769 83482056
移动电话:15322932685/宋小姐
地址:广东省东莞市东坑镇龙坑兴业路3号
常见问题
橡胶软管爆破压力试验机的设计与研制
橡胶软管爆破压力试验机可以完成常温爆破试验、高温爆破试验、高低温冲击试验。系统设置单独的排液系统,可以方便的进行系统清洗、充液、换液和试验件的拆装,具备介质回收功能。下面,我们了解一下该产品的技术要求。
产品名称:环仪仪器 橡胶软管爆破压力试验机

系统组成:主要由加热油箱、常温油箱、高温齿轮泵、气驱液泵、电磁阀、高低温箱、电磁溢流阀、气动元器件及管路附件等组成。
主要性能参数:

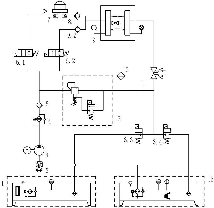
产品原理图:

1-常温油箱组件 2-气动球阀 3-齿轮泵组件 4-压油滤 5-低压单向阀 6-高温电磁阀 7-气驱液泵
8-高压单向阀 9-高低温试验箱 10-高温过滤器 11-气控针阀12-高温电磁溢流阀 13-高温油箱组件
爆破试验系统设计:
爆破试验系统采用齿轮泵组件快速充油,气驱液泵将被试件增压至爆破压力,通过调整气源压力,可实现升压速率的连续调节。
1)常温爆破试验
试验前将被试件安装于高低温试验台工装上,气驱液泵以 140±35mpa/min的增压速率对系统进行增压,直至被试件破裂。被试件破裂后系统迅速停止,同时电磁阀打开,溢出油液经过滤器过滤后经电磁阀返回常温油箱。
2)高温爆破试验
试验前将被试件安装于高低温试验箱工装上,调整高低温试验箱温度为180±6℃,高温油箱将试验液加温到180±6℃。气驱液泵将系统压力提升至工作压力,保压5min,然后以 140±35mpa/min 的增压速率对系统进行增压,直至被试件破裂。被试件破裂后系统迅速停止,同时电磁阀打开,溢出油液经过滤器过滤后经电磁阀返回高温油箱。
3)低温爆破试验
低温爆破试验与高温爆破试验原理相似。
如有橡胶软管爆破压力试验机选型疑问,可以咨询环仪仪器相关技术人员。
上一篇: 海洋复合软管爆破测试台对软管的爆破试验 下一篇: 液压软管高低温爆破试验台
橡胶软管爆破压力试验机的设计与研制-和记娱乐手机版

环仪仪器厂家提供完整的和记娱乐手机版的售后服务,每一台环仪设备都有机身编号,只需提供机身号就可获得高效的覆盖全国30多个省市的和记娱乐手机版的售后服务,环仪承诺环境测试舱2年质保,终身维修,服务网点及周边地区确保2小时快速响应。


